歡迎光臨泊頭市鴻海泵業有限公司官網!

15933274150
熱門關鍵詞:
咨詢熱線
15933274150
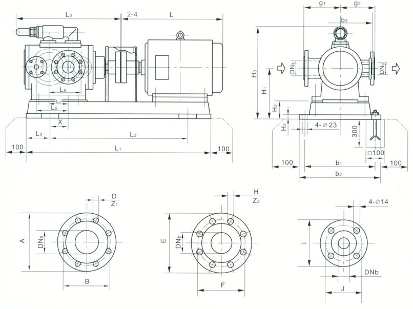
3QGB系列三螺桿瀝青泵是轉子式容積泵,它是利用螺桿嚙合原理,依靠旋轉的螺桿在泵套內相互嚙合,把被輸送的介質封閉在嚙合腔內,沿螺桿軸向連續勻速地推至排出口,為系統提供穩定的壓力。
15933274150
概述:
3QGB系列三螺桿瀝青泵是轉子式容積泵,它是利用螺桿嚙合原理,依靠旋轉的螺桿在泵套內相互嚙合,把被輸送的介質封閉在嚙合腔內,沿螺桿軸向連續勻速地推至排出口,為系統提供穩定的壓力。
3QGB系列三螺桿瀝青泵適用于各種無腐蝕性油類及類似油和潤滑性液體。輸送液體的粘度范圍一般為3.0-760mm2/s(1.2-100oE),高粘度介質可通過加溫降粘后輸送。其溫度不超過350℃。
我公司生產的3QGB系列三螺桿瀝青泵(保溫型瀝青泵)主要用于輸送高粘度和高溫潤滑性液體。常用于瀝青重燃油、重齒輪油等介質的輸送。熱載體可以是蒸汽、熱油和熱水,冷載體可以是氣體和液體。

點:
3QGB系列三螺桿瀝青泵的 點是結構簡單、壓力脈動小、流量穩定、工作平衡 、允許高轉速、噪音低,效率高、壽命長、有自吸能力。
三螺桿瀝青泵的主要過流部位均設有空心夾層,并設有可供通蒸氣,熱/熱水,導熱油等對輸送液體和泵進行加熱,保溫等功能,當輸送粘度較大時應采用減速機,調速電機或皮帶輪等傳動方式,降低泵的轉速.
用途及使用范圍:
3QGB系列三螺桿瀝青泵 應用于石油、化纖、冶金、機械、電力、機床、船舶、玻璃、公路等各行各業。
3QGB系列三螺桿瀝青泵適用于輸送燃料油、潤滑油、液壓油、原油、瀝青及其它類似油的潤滑油和潤滑性液體。
3QGB系列三螺桿瀝青泵在工業領域中作潤滑泵,在液壓系統中作液壓泵,在燃油系統中作輸送及增壓泵,在輸油系統中作輸送及加油泵。
流量范圍0.2-600m3/h,高工作壓力可達6.3MPa。
3QGB系列三螺桿瀝青泵參數表:




