歡迎光臨泊頭市鴻海泵業有限公司官網!

15933274150
熱門關鍵詞:
咨詢熱線
15933274150
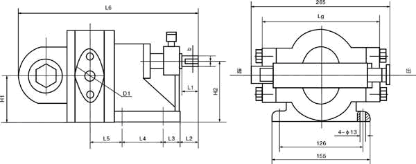
CLB型瀝青保溫齒輪泵為旋轉式,主要由泵體、機座、主動齒輪、從動齒輪和閥體等組成。
主動軸由一個附加的含油軸套支承,通過油杯補充HG-24號飽和汽缸油潤滑。
泵的兩側裝有帶圓錐管螺紋的連接頭以便連接進口管道位,該圓錐銷制有內螺紋以便于拆卸。其密封紙墊還用以調整齒輪的軸向間隙,該間隙規定為單向在0.05-0.08mm之間。
機座的下部有四個孔供安裝使用
本泵設有閥,出廠時已調定工作壓力為1-+0.05mpa并加以鉛封。
工作時,介質進入吸液腔,通過齒輪的旋轉將介質壓入排液腔并流出。調節手輪可以改變輸出流量,當向右旋轉手輪,閥被頂開,泵即失去輸出壓力而停止排液;當向左旋轉手輪,閥即恢復作用,介質正常輸出。
主要用于抽吸、輸送和噴布高溫的瀝青(渣油)液體,適用于道路和廣場等建筑工程的瀝青(渣油)噴布作業,也可在常溫下用于抽吸、輸送非高揮發性、低閃點的石油產品,如各種機油、機械油及重油等。





